當前位置: 首頁 > 無紙記錄儀 → 聯測SIN-R200D液晶無紙記錄儀 →

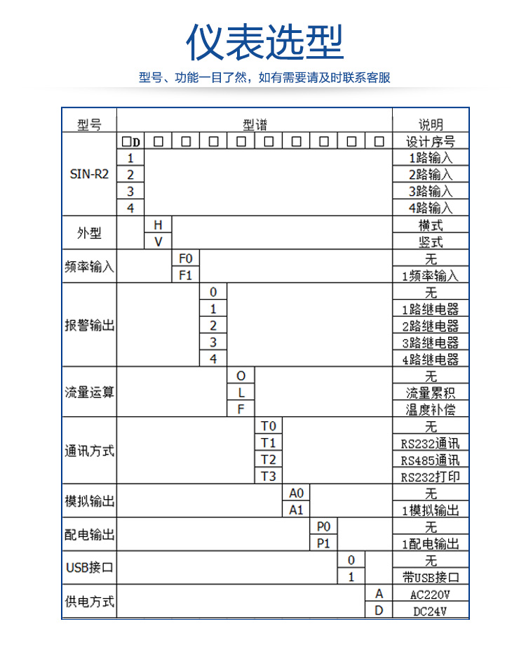
SIN-R200D系列無紙記錄儀可自由組態輸入標準電流、標準電壓、熱電偶、熱電阻、頻率等信號,可實現為傳感器配電和繼電器報警輸出,并且可通過U盤或通訊方式與上位機進行數據交換。無紙記錄儀 本身具有實時數據顯示畫面、曲線顯示畫面以及棒圖數據顯示畫面,同時,可以與微型打印機相連 接,實現現場打印功能,與聲光報警器連接,實現現場聲光報警功能。
全國服務電話:18767163200
在線預定郵箱:551238407@qq.com
微信:18767163200




